- 手机:
- 18888889999
- 电话:
- 0898-66889888
- 邮箱:
- admin@youweb.com
- 地址:
- 海南省海口市玉沙路58号
的发展历程与工作原理,并结合理想电路元件开展仿真分析;第二部分将聚焦实际的分析与制作,随后对其性能进行测量。作为补充内容,我们还将制作并测试一款性能显著更优的备选电路。
本文提供印刷电路板(PCB)的设计文件,方便读者在阅读过程中自行制作电路板。
关于本实验的完整视频讲解(涵盖电路制作、测试与测量环节),可观看以下视频:一款可亲手制作的低失真文氏电桥振荡器!
文氏电桥振荡器在电子学历史中占据重要地位。惠普公司(HP)的首款产品——200A型音频信号发生器,基于Bill Hewlett于1939年在斯坦福大学撰写的硕士论文开发而成。1这款具有开创性意义的设备在当时拥有令人瞩目的性能参数:采用标准线路电压供电,输出功率达1W,并且在大部分音频频段内失线%。除用来测试电话放大器与通用音频电路外,它最早且最著名的应用场景之一,是参与迪士尼电影《幻想曲》的制作。如今在斯坦福大学校园内,甚至还能看到惠普创始车库的复制品(内陈列有200A型信号发生器),以此纪念这里作为硅谷“车库创业”文化发源地的特殊地位。Bill Hewlett当年的硕士论文1,也为我们了解那个时代的电路理论与设计思路提供了极具价值的视角。另一篇颇有见地的参考资料是《应用笔记43:桥式电路》附录C“文氏电桥与Hewlett先生”。
(General Radio)的213-B型振荡器,便以机械音叉作为选频元件,以碳粒麦克风作为放大级。2无论具体实现细节如何,线性电路要产生振荡,必须满足巴克豪森稳定性判据:
1,振荡信号会逐渐衰减直至消失;若环路增益绝对值大于1,振荡信号的幅度会不断增大。这种增大要么无限持续(仿真环境中有此可能),要么会持续到某种机制限制了振幅(理想情况下,这种限制是平稳实现的,而非由灾难性故障导致)。如果终端应用对失真度(即输出信号中包含的频率为目标基波倍数的谐波成分)不敏感,那么只需采用简单的增益限制方法即可。例如,让放大器输出在电源轨处自然削波,就是一种极为简便的方式。但若应用需要纯净的正弦波输出,那么精确控制放大器增益就变得至关重要。
L-C(电感-电容)网络等。文氏电桥由Max Wien于1891年在惠斯通电桥的基础上改进而来。惠斯通电桥仅由纯电阻元件构成,而文氏电桥可用于电容测量。尽管文氏电桥最初被设计为一种测量电路,但在平衡状态下,其相移为0。因此,只要搭配一个相移为0的增益元件,便可满足巴克豪森判据中的相移要求。
1891年,基于文氏电桥制作振荡器是不可实现的,至少是极难的,因为当时尚无线性电子增益元件;直到1906年,三极真空管才被发明出来。)
1。在谐振状态下,文氏电桥的电抗臂衰减系数为1/3,因此放大器的增益必须达到3。图1所示电路为一款输出频率1.0kHz的简易文氏电桥振荡器,可直观体现这一原理。
Bill Hewlett配置中的情况一致)。白炽灯泡的电阻随功耗增加而增大,根据粗略经验法则,其热态电阻通常约为冷态电阻的10倍。图中所示的#327型灯泡,工作电压为28V,工作电流为40mA,因此热态电阻约为700Ω,冷态电阻约为70Ω,这一数值与多只该型号灯泡的实际测量结果相符。若要实现3倍的同相增益,灯泡电阻需为反馈电阻的一半,即大约215Ω。
3的数值(具体数值取决于维持振荡所需的条件),同时振幅也会趋于稳定。至此,一款实用的振荡器电路即完成设计。
LTspice®软件中搭建若干概念性电路,初步感受理想条件下的电路工作状态。相关LTspice文件可通过以下链接下载:文氏电桥主动学习实践LTspice文件。
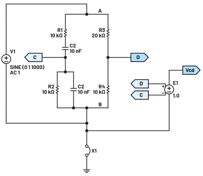
Vcd端会产生一个数值较小但不为零的电压(此处采用增益为1的压控电压源,这种方式能便捷地测量两个节点间的电压差,且测量结果可直接在仿真输出中显示)。可尝试修改R3的阻值进行实验:取值为10kΩ时,电桥应处于平衡状态,此时输出电压为零。还可尝试将R1和R2的阻值减小至1kΩ,看看这是否会对输出电压产生影响。
LTspice中打开basic_wein_bridge.asc仿线所示)。该仿真设置为交流扫描(AC sweep)模式,频率范围从100Hz到10kHz,仿线所示。请注意,若采用直流电源为电桥供电,会产生一个较为明显的输出;经过初始瞬态过程后,节点C会稳定在接地电位,而节点D则会达到电源电压的1/3。运行仿真并探测节点C,即电桥电抗臂的输出端。可观察到响应曲线呈现平缓的峰值(“驼峰”状),峰值位置略低于2kHz。接着探测Vcd端。可观察到响应曲线出现极其尖锐的零值点,通过这一特征可轻松定位精确谐振频率为1.59kHz。
wien_bridge_vcvs_gain.asc仿线所示。该电路在现实中无法搭建,其增益级性能接近理想状态:输入阻抗无穷大、输出阻抗为零,且不存在失调电压或增益误差。但通过该理想电路,我们可开展理想工况下的实验,直观理解巴克豪森准则,并验证背景信息中提及的相关结论。
含理想增益级的文氏电桥振荡器。暂时忽略V1。需注意,该仿真启动时,所有电压均为零。此时电路没有理由偏离零值,只会始终保持零电压状态。
的作用是在仿真刚开始时,通过向增益级提供一个阶跃信号来启动电路运行,随后它会逐渐回零,且不再对电路的运行产生影响。运行仿真并探测输出节点,得到的结果应与图6所示相近。
理想文氏振荡器,G = 2.97。需注意,该电路会振荡数毫秒,但振幅会呈指数级衰减至零。这是因为增益被设置为比临界值低1%(实际构建放大器时,若使用精度
的电阻,就可能因电阻偏差恰好导致增益偏低,出现此类情况)。接下来,将E2的增益值设为2.997(即比临界值低约0.1%),如图7所示。此时振荡持续时间会延长,但最终仍会衰减。
理想文氏振荡器,G = 2.997。我们已知,维持振荡需要增益恰好为3,因此按图
理想文氏振荡器,G = 3.0。可以发现,电路工作状态与理论预测完全一致:在整个250ms的仿真时长内,振幅始终保持稳定。这种现象纯属理论层面,在现实电路或基于实际放大器模型的仿真中均不会出现;因为有限的开环增益、有限的输入阻抗、失调电压以及其他非理想特性,总会导致增益略微高于或低于
的最后一个例证,按图9所示将增益设为3.03(即比临界值高1%,类似于在实际电路中采用了1%的电阻,刚好偏向增益较高的一侧可能出现的情况),然后运行仿真。
太伏,且无任何衰减趋势。同样需强调,该仿真仅用于帮助理解巴克豪森准则,无任何现实参考意义。如果你用运算放大器搭建此电路,将其增益配置为3.03并采用±5V供电,振荡幅度会不断增大直至接近5V,随后便会出现削波现象(产生失真波形)。问题1.
3.0,但实际增益略高于3,会出现什么情况?输出是否会像仿线太伏?(提示:可在LTspice中搭建该电路,并注意为运算放大器设置合理的电源电压。)您可以在学子专区论坛上找到问题答案。在第二部分内容中,我们将仿真一款实用型振荡器,随后回归现实场景,搭建实际电路并测量其性能。
t,1930年4月。美国专利第2,268,872号:可变频率振荡发生器。
132:A-D转换器保真度测试”,凌力尔特,2011年2月。资源文氏电桥LTspice
架构工程师。他拥有缅因大学农业/机械工程学士学位和电气工程硕士学位。Mark尽力让实验台上设备完好,而这些设备大多是他从损坏状态下修复并重新让它们恢复工作的。





